地 址: 河南省巩义市西村工业区
联系人: 庞经理
手 机: 15617617287
15038001853
E_mail: gyltgd@126.com
网 址: /
https://www.ddboys.com/




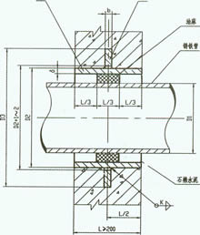
刚性防水套管适用于管道穿墙处不受管道振动和伸缩的构(建)筑物。对于有地震设防要求的地区,如采用刚性防水套管,应在进入池壁或建筑物外墙的管道上就近设置柔性连接。A型适用于钢管,B、C型适用于球墨铸铁管及铸管。
刚性防水翼环适用于管道穿墙处不受管道振动和伸缩的构(建)筑物,适用于管道穿墙处空间有限或管道安装先于构(建)筑物或管道的更新改造。对于有地震设防要求的地区,如采用刚性防水翼环,应在进入池壁或建筑物外墙的管道上就近设置柔性连接。
技术参数:
刚性防水套管(C型)尺寸表、重量表
|
DN |
D1 |
D2 |
D3 |
D4 |
δ |
C |
重量 |
|
|
铸铁管 |
球墨铸铁管 |
|||||||
|
75 |
93 |
- |
115 |
135 |
245 |
12 |
10 |
9.25 |
|
100 |
118 |
118 |
140 |
160 |
270 |
12 |
10 |
10.89 |
|
150 |
169 |
170 |
190 |
220 |
330 |
16 |
12 |
21.12 |
|
200 |
220 |
220 |
240 |
270 |
380 |
16 |
12 |
25.91 |
|
250 |
271.6 |
274 |
295 |
325 |
435 |
16 |
12 |
31.17 |
|
300 |
322.8 |
326 |
377 |
380 |
500 |
16 |
12 |
37.40 |
|
350 |
374 |
378 |
400 |
435 |
555 |
20 |
16 |
50.66 |
|
400 |
425.6 |
429 |
450 |
485 |
605 |
20 |
16 |
56.45 |
|
450 |
476.8 |
- |
500 |
535 |
655 |
20 |
16 |
62.24 |
|
500 |
528 |
532 |
555 |
595 |
735 |
22 |
18 |
81.94 |
|
600 |
630.8 |
635 |
660 |
700 |
840 |
22 |
18 |
96.27 |
|
700 |
733 |
738 |
760 |
805 |
945 |
26 |
20 |
126.1 |
|
800 |
836 |
842 |
865 |
910 |
1050 |
26 |
20 |
142.4 |
|
900 |
939 |
945 |
970 |
1020 |
1160 |
28 |
20 |
175.3 |
|
1000 |
1041 |
1048 |
1075 |
1125 |
1265 |
28 |
20 |
193.3 |
|
1100 |
1144 |
- |
1170 |
1225 |
1365 |
30 |
24 |
229.4 |
|
1200 |
1246 |
1255 |
1280 |
1335 |
1475 |
30 |
24 |
250.0 |